
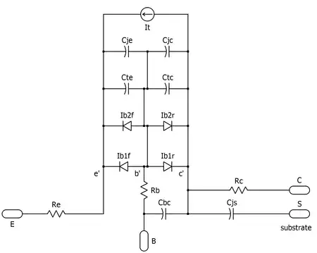
Schematic of Spice Gummel–Poon model NPN
The Gummel–Poon model is a model of the bipolar junction transistor. It was first described in an article published by Hermann Gummel and H. C. Poon at Bell Labs in 1970.[1]
The Gummel–Poon model and modern variants of it are widely used in popular circuit simulators such as SPICE. A significant effect that the Gummel–Poon model accounts for is the variation of the transistor and values with the direct current level. When certain parameters are omitted, the Gummel–Poon model reduces to the simpler Ebers–Moll model.[1]
Model parameters
Spice Gummel–Poon model parameters[2]
| # | Name | Property modeled | Parameter | Units | Default value |
|---|---|---|---|---|---|
| 1 | IS | current | transport saturation current | A | 1×10−16 |
| 2 | BF | current | ideal max. forward beta | — | 100 |
| 3 | NF | current | forward-current emission coefficient | — | 1 |
| 4 | VAF | current | forward early voltage | V | ∞ |
| 5 | IKF | current | corner for forward-beta high-current roll-off | A | ∞ |
| 6 | ISE | current | B–E leakage saturation current | A | 0 |
| 7 | NE | current | B–E leakage emission coefficient | — | 1.5 |
| 8 | BR | current | ideal max. reverse beta | — | 1 |
| 9 | NR | current | reverse-current emission coefficient | — | 1 |
| 10 | VAR | current | reverse early voltage | V | ∞ |
| 11 | IKR | current | corner for reverse-beta high-current roll-off | A | ∞ |
| 12 | ISC | current | B–C leakage saturation current | A | 0 |
| 13 | NC | current | B–C leakage emission coefficient | — | 2 |
| 14 | RB | resistance | zero-bias base resistance | Ω | 0 |
| 15 | IRB | resistance | current where base resistance falls half-way to its minimum | A | ∞ |
| 16 | RBM | resistance | minimum base resistance at high currents | Ω | RB |
| 17 | RE | resistance | emitter resistance | Ω | 0 |
| 18 | RC | resistance | collector resistance | Ω | 0 |
| 19 | CJE | capacitance | B–E zero-bias depletion capacitance | F | 0 |
| 20 | VJE | capacitance | B–E built-in potential | V | 0.75 |
| 21 | MJE | capacitance | B–E junction exponential factor | — | 0.33 |
| 22 | TF | capacitance | ideal forward transit time | s | 0 |
| 23 | XTF | capacitance | coefficient for bias dependence of TF | — | 0 |
| 24 | VTF | capacitance | voltage describing VBC dependence of TF | V | ∞ |
| 25 | ITF | capacitance | high-current parameter for effect on TF | A | 0 |
| 26 | PTF | excess phase at frequency = 1/(2π TF) | ° | 0 | |
| 27 | CJC | capacitance | B–C zero-bias depletion capacitance | F | 0 |
| 28 | VJC | capacitance | B–C built-in potential | V | 0.75 |
| 29 | MJC | capacitance | B–C junction exponential factor | — | 0.33 |
| 30 | XCJC | capacitance | fraction of B–C depletion capacitance connected to internal base node | — | 1 |
| 31 | TR | capacitance | ideal reverse transit time | s | 0 |
| 32 | CJS | capacitance | zero-bias collector–substrate capacitance | F | 0 |
| 33 | VJS | capacitance | substrate–junction built-in potential | V | 0.75 |
| 34 | MJS | capacitance | substrate–junction exponential factor | — | 0 |
| 35 | XTB | forward- and reverse-beta temperature exponent | — | 0 | |
| 36 | EG | energy gap for temperature effect of IS | eV | 1.1 | |
| 37 | XTI | temperature exponent for effect of IS | — | 3 | |
| 38 | KF | flicker-noise coefficient | — | 0 | |
| 39 | AF | flicker-noise exponent | — | 1 | |
| 40 | FC | coefficient for forward-bias depletion capacitance formula | — | 0.5 | |
| 41 | TNOM | parameter measurement temperature | °C | 27 |
See also
References
- 1 2 H. K. Gummel and H. C. Poon, "An integral charge control model of bipolar transistors", Bell Syst. Tech. J., vol. 49, pp. 827–852, May–June 1970.
- ↑ Summary of model with schematics and equations.
External links
- Bell System Technical Journal, v49: i5 May-June 1970 on archive.org
- Designers-Guide.org comparison paper Xiaochong Cao, J. McMacken, K. Stiles, P. Layman, Juin J. Liou, Adelmo Ortiz-Conde, and S. Moinian, "Comparison of the New VBIC and Conventional Gummel–Poon Bipolar Transistor Models," IEEE Trans-ED 47 #2, Feb. 2000.
This article is issued from Wikipedia. The text is licensed under Creative Commons - Attribution - Sharealike. Additional terms may apply for the media files.