Charged particle
Charged Particle Symbol Mass Charge Electron Negative (-) Proton Positive (+) Neutron Zero (0)
Electric charge
Electric charge process
Charge type Charge acquired process Negative charge Neutral object receives electron Positive charge Neutral object gives electron
Electric charge characterisitics
Charge type Charge quantity Electric field Magnetic field Negative charge -Q 
B ↓ positive charge +Q 
B ↑
Electric charge interaction force
Electrostatic force Coulomb force is used in calculating the force of negative charge to attract positive charge 
Electrodynamic force Ampere force is used in calculating the force of electricity to make electric charge to move in a straight line path Electromagnetomotive force Lorentz force is used in calculating the force of magnet to make electric charge to move in a straight line perpendicular to the original path 
Electromagnetic force is the sum of the 2 electrodynamic and electromagnetomotive force 
Electricity
Electricity source
Electricity can be generated from the following sources below
Electricity souce Picture Types of electricity Electrolysis 
DC electricity Electrovoltaic 
DC electricity Photonvoltaic 
DC electricity Electromagnetic induction 
AC electricity
Electricity types
Electricity types definition Mathematical formula DC electricity provides constant voltage over time AC electricity provides time varying voltage over time
Electricity and matter
Matter that interacts with electricity are divided into three types Conductor, Semi Conductor, and Non Conductor
Conductor referes to all matter allow current to flow easily like Metal for example Ferrite, Copper Conductors are used in making passive electric components like
Resistor,
Capacitor,
InductorSemi Conductor referes to all matter does not allow current to flow easily like Semi Conductor for example Silicon, Germanium Semi - Conductors are used in making active electric components like
Diode,
Transistor,
FETNon Conductor referes to all matter does not allow current to flow like Rubber
DC and AC response of electric conductor
Resistor
Characteristics DC AC Voltage Current Resistance Power provided Power Loss Power delivered Reactance Impedance Phase
Capacitor
Characteristics DC AC Voltage Charge Capacitance Current Power provided Reactance
Impedance
Phase Time Constant
Inductor
Characteristics DC AC Magnetic Field Strength Current Inductance Current Power provided Reactance
Impedance
Phase Time Constant
Diode
A device made from joining one negative typed semi conductor with one positive typed semi conductor
- - o--[N|P]--o +
Diode's circuit sysmbol
The IV chracteristic of diode is specified in IV Graph
As seen in the graph above the diode actually works in both the forward region and the backward region. In the forward region the value of I and V are positive and in the backward region I and V are negative.
- Diode does not conduct current or turned OFF at of
- Diode starts to conduct current or turned ON at of
- Diode conducts current at at
Transistor
Transistor Symbol Construction NPN transistor 
o-- [N P N] --o PNP transistor 
o-- [P N P] --o
Manufacturer's IV Graph specification tell transistor operation
- . Transistor is OFF
- . Transistor is ON
- . Transistor is saturated
With the right connection, by connecting transistor with resistor(s) Transistor can acts as
An electronics amplifier
Provided that, transistor should be turned ON with biased voltage at the base must be greater than diode's break over voltage
- .
An electronics switch
- Transistor is switch On when
- Transistor is switch Off when
Electric device
Electric device referes to an electric circuit of many components connected in a closed loop to perform a specific task
Electric exponential decay
Electric exponential decay is an electric device that can generate current or voltage decay in the form of an exponential decay
Electric current decay circuit Configuration Formula RL series 
/RC series/
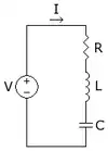
Electric oscillation wave
Electric oscillation wave is an electric device that can generate sinusoidal wave
Electric current oscillation wave 

Electric current oscillation standing wave 

Electric current decay oscillation wave 
Root of equation
1 real root .
2 real roots .
2 complex roots .
Peak electric current oscillation wave 
Voltage stabilizer
Voltage stabilizer provides table voltage over frequency of time
Low frequency filter 
Low frequency filter 
High frequency filter 
High frequency filter 
Band pass filter 

Band pass filter 

Resonance tuned selected band pass filter 