
{{free media}}"Approximate times of some of the most commonly reported geomagnetic excursions of the Brunhes Normal Polarity Chron [are shown on the right]. Highlighted excursions are those found, or most likely to be found, in the western U.S."[1]
Notations: let virtual axial dipole moment be represented by VADM.
"Vertical dashed line is the critical value of intensity below which Guyodo and Valet (1999) consider several directional excursions to have occurred."[1]
Each of the periods of normal, reversed, or mixed polarity has been assigned a specific designation, e.g. the Thvera subchron is represented by C3n.4n.[2] The Thvera subchron has a normal polarity (n), or the current polarity. Its younger (y) and older (o) boundaries are polarity reversals. The Thvera subchron lies within the Gilbert chron (C3).
Nebraskan glacial

{{free media}}Nebraskan glacial spans ca. 650,000-1,000,000 yr BP.[3]
"Late Cenozoic geomagnetic time scale [is shown on the right]. Dark (light) areas denote periods of normal (reversed) polarity. Polarity intervals [were] determined mainly by radiometric ages on volcanic rocks, with auxiliary information on their duration from marine magnetic anomaly profiles and deep-sea sedimentary cores."[1]
The magnetic field reversal to the present geomagnetic poles (Brunhes chron, C1n(o)) occurred at 780,000 yr BP.
The reverse polarity subchron (C1r) extended from 780,000 b2k to 990,000 b2k and began the Matuyama chron.[2]
The Jaramillo (C1r.1n(y)) ended at 990,000 b2k.[2]
Calabrian

{{free media}}

The Jaramillo (C1r.1n(o)) ended at 1,070,000 b2k, or 1.070 Ma.[2]
A reverse polarity suchron extended from 1.070 Ma to 1.770 Ma.[2]
The Olduvai (C2n) extended from 1,770,000 yr BP to 1.950 Ma.[2]
"The [Calabrian] GSSP occurs at the base of the marine claystone conformably overlying sapropelic bed ‘e’ within Segment B in the Vrica section. This lithological level represents the primary marker for the recognition of the boundary, and is assigned an astronomical age of 1.80 Ma on the basis of sapropel calibration."[4]
Gelasian

The Olduvai subchron (C2n(o)) began at 1.950 Ma.[2]
A reverse polarity chron extends from 1.950 to 2.140 Ma.[2]
The Reunion subchron (C2r.1n) extends from 2.140 - 2.150 Ma.[2]
Another reverse polarity subchron extends from 2.150 - 2.581 Ma.[2]
The Gauss chron (C2An(y)) ended at 2.581 Ma.
An unnamed normal subchron (C2An.1n) extends from 2.581 - 3.040 Ma.[2]
"The base of the Quaternary System [shown in the image on the right] is defined by the Global Stratotype Section and Point (GSSP) of the Gelasian Stage at Monte San Nicola in Sicily, Italy, currently dated at 2.58 Ma."[5]
"The astrochronological age of sapropel MPRS 250 (mid-point), corresponding to precessional cycle 250 from the present, is 2.588 Ma (Lourens et al., 1996), which can be assumed as the age of the boundary."[6]
Piacenzian

The magnetic field reversal to the present geomagnetic poles (Matuyama chron, o, or Gauss, y) occurred at 2,590,000 yr BP.
"The base of the beige marl bed of the small-scale carbonate cycle 77 (sensu Hilgen, 1991b) is the approved base of the Piacenzian Stage (that is the Lower Pliocene-Middle Pliocene boundary). It corresponds to precessional excursion 347 as numbered from the present with an astrochronological age estimate of 3.600 Ma (Lourens et al., 1996a)."[7]
An unnamed normal subchron (C2An.1n) extends from 2.581 - 3.040 Ma.[2]
Another reverse subchron (C2An.1r) extends from 3.040 - 3.110 Ma.
The Kaena subchron (C2An.2n) extends from 3.110 - 3.220 Ma.[2]
Another reverse subchron (C2An.2r) extends from 3.220 - 3.330 Ma.
The Mammoth subchron (C2An.3n) extends from 3.330 - 3.580 Ma.[2]
Gilbert chron

{{fairuse}}The Gilbert chron (C3 (y)) ends at 3.580 Ma.
Another reverse subchron (C3.1r(y)) ends at 3.580 Ma.
The "N/R reversal boundary corresponding to the base of the Gilbert Chron (C3r(y)) could be located between the homogeneous marls of cycle UA31 and the sapropel of UA32".[8]
"According to earlier integrated stratigraphic studies of the pre-MSC unit, the base of the Gilbert chron falls in the upper part of cycle UA31 [at 6.035 Ma] of the Perales section and is unambiguously correlated to the astronomical curves (Krijgsman et al., 1999a,b, 2004; Sierro et al., 2001)."[8]
"The recognition of an additional [Primary Lower Gypsum] PLG cycle in the [Sorbas basin] SB together with the re-interpretation of the paleomagnetic data of the Monticino section indicates that the onset of the MSC is located three precessional cycles above the base of the Gilbert Chron in both western (SE Spain) and central (N Italy) Mediterranean [at 5.971 Ma]."[8]
Zanclean

The Gilbert chron (C3n(y)) ends at 3.580 Ma.
A reverse subchron (C3n.1r) extends from 3.580 - 4.180.[2]
The Cochiti (C3n.1n) extends from 4.180 - 4.290.[2]
A reverse subchron (C3n.2r) extends from 4.290 - 4.480.[2]
The Nunivak (C3n.2n) extends from 4.480 - 4.62.[2]
A reverse subchron (C3n.3r) extends from 4.620 - 4.800.[2]
The Sidufjall (C3n.3n) extends from 4.800 - 4.890.[2]
A reverse subchron (C3n.4r) extends from 4.890 - 4.980.[2]
The Thvera (C3n.4n) extends from 4.980 - 5.230.[2].
A reverse subchron (C3n.5r) extends from 5.230 - 5.894.[2]
"The boundary-stratotype of the stage is located in the Eraclea Minoa section on the southern coast of Sicily (Italy), at the base of the Trubi Formation. The age of the Zanclean and Pliocene GSSP at the base of the stage is 5.33 Ma in the orbitally calibrated time scale, and lies within the lowermost reversed episode of the Gilbert Chron (C3n.4r), below the Thvera normal subchron."[9]
Messinian

{{fairuse}}
{{fairuse}}
{{fairuse}}Polarity subchrons for the Messinian which extends from 5.333 - 7.251:
- C3n.5r (o) is at 5.894 Ma.
- C3An.1n is 5.894 - 6.137 Ma.[2]
- C3An.1r is 6.137 - 6.269 Ma.
- C3An.2n is 6.269 - 6.567 Ma.[2]
- C3An.2r is 6.567 - 6.935 Ma.
- C3Bn is 6.935 - 7.091 Ma.[2]
- C3Bn.1r is 7.091 - 7.135 Ma.
- C3Bn.1n is 7.135 - 7.170 Ma.[2]
- C3Bn.2r is 7.170 - 7.341 Ma.
"The GSSP of the Messinian Stage, which per definition marks the base of the Messinian and, hence, the boundary between the Tortonian and Messinian Stages of the Upper Miocene Subseries, is Oued Akrech (Morocco) where the Messinian GSSP is now formally designated at the base of the reddish layer of sedimentary cycle no. 15. This point coincides closely with the first regular occurrence (FRO) of the planktonic foraminiferal Globorotalia miotumida group and the first occurrence (FO) of the calcareous nannofossil Amaurolithus delicatus, and falls within the interval of reversed polarity that corresponds to C3Br.1r. The base of the reddish layer and, thus, the Messinian GSSP has been assigned an astronomical age of 7.251 Ma."[10]
"The correlation of characteristic sedimentary cycle patterns to the astronomical record resulted in an astronomical age of 7.24 Ma (Hilgen et al., 1995), in good agreement with the radiometric age estimates of Vai et al. (1993) and Laurenzi et al. (1997)."[10]
The integrated magnetostratigraphy, calcareous plankton biostratigraphy and cyclostratigraphy of section Oued Akrech is diagrammed on the left.
In the image on the right, geomagnetic polarity over the past 169 Ma, trails off into the Jurassic Quiet Zone. Dark areas denote periods of normal polarity, light areas denote reverse polarity. The top of the Messinian is currently assigned to a mixed zone. The suggested top is the base of the last reverse zone of the Gilbert chron. In the diagram on the right, this top is the base of the last light zone below the Pliocene-Miocene boundary.
"The Messinian salinity crisis (MSC) onset has been dated at 5.96 ± 0.02 Ma (Krijgsman et al., 1999a), based on the high-resolution cyclostratigraphic framework reconstructed for the pre-MSC Mediterranean successions, with sedimentary cycles controlled by astronomical forcing (Krijgsman et al., 1995, 2004; Hilgen and Krijgsman, 1999; Sierro et al., 2001)."[8]
"The Perales section [...], located in the central portion of the Sorbas basin (SB), includes up to 55 lithological cycles in the Abad Formation, recorded by the rhythmic deposition of homogeneous marls, more indurated opal-rich carbonatic layers, sapropels and diatomites, between the Tortonian-Messinian boundary (7.251 Ma; Hilgen et al., 2000) and the base of the Yesares Fm corresponding with the MSC-onset (5.96 ± 0.02; Krijgsman et al., 1999a)."[8]
Tortonian

{{fairuse}}
{{fairuse}}
{{fairuse}}
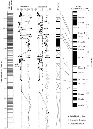
{{fairuse}}In the image on the right shows inclinations of the characteristic magnetization component plotted against revised composite depths (rmcd) for site 1092. The Miocene polarity chrons are labelled according to Cande & Kent (1992 and 1995). Arrows indicate subchrons within C5n.2n, C5r.3r and C5AAr.1n. Polarity interpretation: black indicates normal polarity, white reverse polarity.
The Tortonian extends 7.251 - 11.608 Ma.
Polarity subchrons for the Tortonian which extends from 7.251 - 11.608 Ma:
- C3Br.1r(o) 7.341 Ma.
- C3Br.2n 7.341 - 7.375 Ma.
- C3Br.2r 7.375 - 7.432 Ma.
- C4n.1n 7.432 - 7.562 Ma.
- C4n.1r 7.562 - 7.650 Ma.
- C4n.2n 7.650 - 8.072 Ma.
- C4n.2r 8.072 - 8.225 Ma.
- C4r.1n 8.225 - 8.257 Ma.
- C4r.1r 8.257 - 8.699 Ma.
- C4An 8.699 - 9.025 Ma.
- C4An.1r 9.025 - 9.230 Ma.
- C4Ar.1n 9.230 - 9.308 Ma.
- C4Ar.1r 9.308 - 9.580 Ma.
- C4Ar.2n 9.580 - 9.642 Ma.
- C4Ar.2r 9.642 - 9.740 Ma.
- C5n.1n 9.740 - 9.880 Ma.
- C5n.1r 9.880 - 9.920 Ma.
- C5n.2n 9.920 - 10.098 Ma.
- C5n.2n-1 10.098 - 10.103 Ma.[11]
- C5n.2n 10.103 - 10.258 Ma.
- C5n.2n-2 10.258 - 10.263 Ma.[11]
- C5n.2n 10.263 - 10.803 Ma.
- C5n.2n-3 10.803 - 10.814 Ma.[11]
- C5n.2n 10.814 - 10.949 Ma.
- C5n.2r 10.949 - 11.052 Ma.
- C5r.1n 11.052 - 11.099 Ma.
- C5r.1r 11.099 - 11.476 Ma.
- C5r.2n 11.476 - 11.531 Ma.
- C5r.2r(y) 11.531 Ma.
"The Serravallian/Tortonian boundary and hence the base of the Tortonian Stage is defined at the midpoint of the sapropel layer of small-scale sedimentary cycle no. 76 in the Monte dei Corvi Beach [marked by the arrow in the center image]. The level coincides almost exactly with the base of the short normal subchron C5r.2n and the last common occurrences (LCOs) of the calcareous nannofossil Discoaster kugleri and the planktonic foraminifer Globigerinoides subquadratus [see the correlation diagram on the left], and is located stratigraphically 2 m above the Ancona ash layer [marked by the empty bottle in the center image]. The level has been assigned an astronomical age of 11.608 Ma [...]. We selected the sapropel midpoint instead of sapropel base (as has been common practise in defining GSSPs of Neogene stages up to now) because it is the midpoint that is assigned the age of the correlative peak in the astronomical target curve. The midpoint of the sapropel layer of cycle 76 will be marked in the field. Identification of the GSSP and re-sampling of the section are greatly facilitated by the readily identifiable sedimentary cycle pattern in the field."[12]
"The Gibliscemi section has been correlated cyclostratigraphically in detail ("bed-to-bed") to the Monte dei Corvi section, the cyclostratigraphic correlations being confirmed by the calcareous plankton biostratigraphy (Figure 10). At Monte Gibliscemi the S/T boundary is placed at the mid-point of the grey marl bed of small-scale cycle -75 in subsection D located at 24.67 m in the Gibliscemi composite of Hilgen et al. (2000b). The marl bed correlates with the sapropel of cycle 76 at Monte dei Corvi (Figure 10) and coincides closely with the D. kugleri LCO. In addition, four volcanic ash layers are found in the basal part of section Gibliscemi which contain sanidine in a datable fraction. The Ar/Ar ages for the most suitable of the ash layers are in agreement with the astronomical ages for these layers (Kuiper, 2003; Kuiper et al., 2005)."[12]
"The planktonic and benthic isotope records are punctuated by two episodes of δ18O increase [in the second image down on the left] which have been assigned astronomical ages of around 11.4 and 10.4 Ma and correspond to the Mi5 and Mi6 events of Miller et al. (1991)."[12]
"[S]hort-duration (5–11 kyr) polarity subchrons exist within C5n.2n which are probably correlative to ‘cryptochrons’ interpreted from oceanic magnetic anomaly data, [...] the number of polarity subchrons within C5n.2n has been reduced from four to three by revision of composite depths at site 1092 [see the diagram on the right]."[11]
Serravallion

{{fairuse}}
{{fairuse}}
{{fairuse}}The Serravallion extends from 11.608 - 13.82 Ma.
Polarity subchrons for the Serravallion: 11.608 - 13.82 Ma:
- C5r.2r(o) 11.935 Ma.
- C5An.1n 11.935 - 12.078 Ma.
- C5An.1r 12.078 - 12.184 Ma.
- C5An.2n 12.184 - 12.401 Ma.
- C5An.2r 12.401 - 12.678 Ma.
- C5Ar.1n 12.678 - 12.708 Ma.
- C5Ar.1r 12.708 - 12.775 Ma.
- C5Ar.2n 12.775 - 12.819 Ma.
- C5Ar.2r 12.819 - 12.991 Ma.
- C5AAn 12.991 - 13.139 Ma.
- C5AAr 13.139 - 13.302 Ma.
- C5ABn 13.302 - 13.510 Ma.
- C5ABr 13.510 - 13.703 Ma.
- C5ACn 13.703(o) Ma.
"Formal definition of Middle Miocene global chronostratigraphic units via their GSSPs is also timely in view of the current interest in major climate transitions and perturbations that occurred along the Cenozoic climatic deterioration from the Eocene "Greenhouse World" into the present "Icehouse World". In fact, one of the major changes in the climate system is termed the Middle Miocene climate transition that started from the Miocene climatic optimum around 16 to 15 Ma. The end of the transition is marked by the major Mi-3b isotope shift reflecting a significant increase in Antarctic ice volume and the final transition into the "Icehouse World" [see the center image]. In fact it is this isotope shift, or more accurately the end of this shift, that is taken as prime guiding criterion for the Serravallian GSSP rather than one of the more conventional biostratigraphic criteria that proved to be slightly diachronous between the Mediterranean and open ocean."[13]
"The Ras il Pellegrin section is located some 20 km west of Valetta town and exposed in coastal cliffs along the Fomm Ir-Rih Bay on the west coast of Malta [in the image on the left]. The actual section is located in the SW facing cliffs on the NE side of Fomm Ir-Rih Bay at 35°54’50" North Latitude and 14°20’10" East Longitude."[13]
The "Mi-3b event only refers to the main shift in the oxygen isotopes to heavier values at the base of CM6. The GSSP is thus defined at the end of this shift".[13]
"A detailed paleomagnetic study of the Ras il Pellegrin section has been carried out by Abels et al. (2005). The natural remanent magnetization (NRM) intensity of the samples from the Globigerina Limestone was very weak and no reliable polarities were obtained. The Blue Clay showed much higher intensities and demagnetization reveals a clear subdivision into two components. In all the samples, the low-temperature (low-field) component is of normal polarity and represents viscous magnetite induced by the present-day field. The high-temperature (high-field) component is of dual polarity and was interpreted as the primary signal (ChRM). Plotting the ChRM directions resulted in a magnetostratigraphy for the Blue Clay part of the section which combined with the calcareous plankton biostratigraphy could be calibrated to the geomagnetic polarity time scale and ranges from C5ACn up to C5Ar.2n [in the diagram on the right]. This calibration reveals that the formation boundary between the Globigerina Limestone and the Blue Clay and, hence, the Serravallian GSSP falls within C5ACn. [...] The calibration is confirmed by the position of the S. heteromorphus L(C)O in C5ABr which is the same position as found at DSDP 42 Site 372 in the Balearic Basin (Abdul Aziz et al., 2008) and in the (adjacent) Atlantic Ocean (Backman et al., 1990; Olafsson, 1991)."[13]
"The major shift in the Middle Miocene marine oxygen isotope record (e.g., Abels et al., 2005) provides an alternative and more suitable guiding criterion. This shift towards heavier δ18O values, labelled Mi-3b, has now been recorded in a number of deep-sea cores and marks a major step in the Middle Miocene cooling and Antarctic ice sheet build up, in fact reflecting the final step in the transition from a “Greenhouse” to “Icehouse” climate state over the past 50 myr (Woodruff and Savin, 1991; Miller et al., 1991, 1996; Flower and Kennett, 1993, 1994). This shift is a major truly global synchronous event, dated astronomically at 13.82 Ma (Abels et al., 2005; Holbourn et al., 2005)."[13]
Langhian

{{fairuse}}The Langhian may extend from 13.82 - 15.974 Ma.[14]
Polarity subchrons for the Langhian: 13.82 - 15.974 Ma:
Burdigalian
The Burdigalian may extend from 15.974 - 20.44 Ma.
Polarity subchrons for the Burdigalian: 15.974 - 20.44 Ma:
- C5Cn.1n 15.974 - 16.268 Ma.[14]
- C5Cn.1r 16.268 - 16.327 Ma.[14]
- C5Cn.2n 16.327 - 16.488 Ma.
- C5Cn.2r 16.488 - 16.556 Ma.
- C5Cn.3n 16.556 - 16.726 Ma.
- C5Cn.3r 16.726 - 17.277 Ma.
- C5Dn 17.277 - 17.615 Ma.
- C5Dr 17.615 - 18.281 Ma.
- C5En 18.281 - 18.781 Ma.
- C5Er 18.781 - 19.048 Ma.
- C6n 19.048 - 20.131 Ma.
- C6r 20.131(o)
Aquitanian

{{fairuse}}The Aquitanian may extend from 20.44 - 23.800 Ma. No GSSP has been determined for the base of the Burdigalian. The date of 20.44 Ma appears to be arbitrary.
Polarity subchrons for the Aquitanian: 20.44 - 23.800 Ma:
- C6r 20.518(y)
- C6An.1n 20.518 - 20.725 Ma.
- C6An.1r 20.725 - 20.996 Ma.
- C6An.2n 20.996 - 21.320 Ma.
- C6An.2r 21.320 - 21.768 Ma.
- C6AAn 21.768 - 21.859 Ma.
- C6AAr 21.859 - 22.151 Ma.
- C6AAr.1n 22.151 - 22.248 Ma.
- C6AAr.1r 22.248 - 22.459 Ma.
- C6AAr.2n 22.459 - 22.493 Ma.
- C6AAr.2r 22.493 - 22.588 Ma.
- C6Bn.1n 22.588 - 22.750 Ma.
- C6Bn.1r 22.750 - 22.804 Ma.
- C6Bn.2n 22.804 - 23.069 Ma.
- C6Bn.2r 23.069 - 23.353 Ma.
- C6Cn.1n 23.353 - 23.535 Ma.
- C6Cn.1r 23.535 - 23.677 Ma.
- C6Cn.2n 23.677 - 23.800 Ma.[15]
The diagram on the right shows the chronostratigraphy, geochronology, magnetostratigraphy, lithostratigraphy and biostratigraphy for the Lemme-Carrosio Section that contains and dates the base of the Neogene, Miocene and the Aquitanian.
Chattian
The Chattian may have lasted from 23.03 to 28.1 Ma.
Rupelian
The Rupelian may have lasted from 28.1 to 33.9 Ma.
Priaborian
The Priaborian may have lasted from 33.9 to 38.0 Ma.
Bartonian
The Bartonian may have lasted from 38.0 to 41.3 Ma.
Lutetian
The Lutetian may have lasted from 41.3 to 47.8 Ma.
Ypresian
The Ypresian may have lasted from 47.8 to 56.0 Ma.
Thanetian
The Thanetian may have lasted from 56.0 to 59.2 Ma.
Selandian
The Selandian may have lasted from 59.2 to 61.6 Ma.
Danian
The Danian may have lasted from 61.6 to 66.0 Ma.
Maastrichtian
The Maastrichtian may have lasted from 66.0 to 71.2 ± 0.2 Ma.
Campanian
The Campanian may have lasted from 71.2 ± 0.2 to 83.6 ± 0.2 Ma.
Santonian
The Santonian may have lasted from 83.6 ± 0.2 to 86.3 ± 0.5 Ma.
Coniacian
The Coniacian may have lasted from 86.3 ± 0.5 to 89.8 ± 0.3 Ma.
Turonian
The Turonian may have lasted from 89.8 ± 0.3 to 93.9 Ma.
Cenomanian
The Cenomanian may have lasted from 93.9 to 100.5 Ma.
Albian
The Albian may have lasted from 100.5 to 113.0 Ma.
Aptian
The Aptian may have lasted from 113.0 to 125.0 Ma.
Barremian
The Barremian may have lasted from 125.0 to 129.4 Ma.
Hauterivian
The Hauterivian may have lasted from 129.4 to 132.9 Ma.
Valanginian
The Valanginian may have lasted from 132.9 to 139.8 Ma.
Berriasian
The Berriasian may have lasted from 139.8 to 145.0 Ma.
Tithonian
The Tithonian may have lasted from 145.0 to 152.1 ± 0.9 Ma.
Kimmeridgian
The Kimmeridgian may have lasted from 152.1 ± 0.9 to 157.3 ± 1.0 Ma.
Oxfordian
The Oxfordian may have lasted from 157.3 ± 1.0 to 163.5 ± 1.0 Ma.
Callovian
The Callovian may have lasted from 163.5 ± 1.0 to 166.1 ± 1.2 Ma.
See also
- History
- Magnetic field reversals
References
- 1 2 3 Edward A. Mankinen and Carl M. Wentworth (10 June 2003). "Preliminary Paleomagnetic Results from the Coyote Creek Outdoor Classroom Drill Hole, Santa Clara Valley, California". Mankinen. Retrieved 2017-08-20.
- 1 2 3 4 5 6 7 8 9 10 11 12 13 14 15 16 17 18 19 20 21 22 23 24 25 26 27 S. C. Cande and D. V. Kent (10 April 1995). "Revised calibration of the geomagnetic polarity timescale for the Late Cretaceous and Cenozoic". Journal of Geophysical Research: Solid Earth 100 (B4): 6093–6095. doi:10.1029/94JB03098. http://www.rci.rutgers.edu/~dvk/dvk_REPRINTS/Cande+Kent1995.pdf. Retrieved 2017-08-21.
- ↑ Sam L. VanLandingham (May 2010). "Use of diatoms in determining age and paleoenvironment of the Valsequillo (Hueyatiaco) early man site, Puebla, Mexsico, with corroboration by Chrysophyta cysts for a maximum Yarmouthian (430,000-500,00yr BP) age of the artifacts". Nova Hedwigia 136: 127-38. http://www.pleistocenecoalition.com/vanlandingham/VanLandingham_2010b.pdf. Retrieved 2017-06-16.
- ↑ Maria Bianca Cita, Philip L. Gibbard, Martin J. Head, and the ICS Subcommission on Quaternary Stratigraphy (September 2012). "Formal ratification of the GSSP for the base of the Calabrian Stage (second stage of the Pleistocene Series, Quaternary System)". Episodes 35 (3): 388-97. http://www.stratigraphy.org/GSSP/Calabrian2.pdf. Retrieved 2015-01-18.
- ↑ Philip L. Gibbard and Martin J. Head (September 2010). "The newly-ratified definition of the Quaternary System/Period and redefinition of the Pleistocene Series/Epoch, and comparison of proposals advanced prior to formal ratification". Episodes 33 (3): 152-8. http://www.stratigraphy.org/GSSP/Quaternary&Pleistocene.pdf. Retrieved 2015-01-20.
- ↑ D. Rio, R. Sprovieri, D. Castradori, and E. Di Stefano (June 1998). "The Gelasian Stage (Upper Pliocene): A new unit of the global standard chronostratigraphic scale". Episodes 21 (2): 82-7. http://www.stratigraphy.org/GSSP/Gelasian.pdf. Retrieved 2015-01-20.
- ↑ D. Castradori, D. Rio, F. J. Hilgen, and L. J. Lourens (June 1998). "The Global Standard Stratotype-section and Point (GSSP) of the Piacenzian Stage (Middle Pliocene)". Episodes 21 (2): 88-93. http://www.stratigraphy.org/GSSP/Piacenzian.pdf. Retrieved 2015-01-23.
- 1 2 3 4 5 Vinicio Manzi, Rocco Gennari, Frits Hilgen, Wout Krijgsman, Stefano Lugli, Marco Roveri, and Francisco J. Sierro (August 2013). "Age refinement of the Messinian salinity crisis onset in the Mediterranean". Terra Nova 25 (4): 315–322. doi:10.1111/ter.12038. https://www.researchgate.net/profile/Vinicio_Manzi/publication/236595496_Age_refinement_of_the_Messinian_salinity_crisis_onset_in_the_Mediterranean/links/0c96051a48eaaad1dc000000/Age-refinement-of-the-Messinian-salinity-crisis-onset-in-the-Mediterranean.pdf. Retrieved 2017-08-20.
- ↑ John A. Van Couvering, Davide Castradori, Maria Bianca Cita, Frederik J. Hilgen, and Domenico Rio (September 2000). [http://www.stratigraphy.org/GSSP/Zanclean.pdf "The base of the Zanclean Stage and of the Pliocene Series"]. Episodes 23 (3): 179-87. http://www.stratigraphy.org/GSSP/Zanclean.pdf. Retrieved 2015-01-23.
- 1 2 F.J. Hilgen, S. Iaccarino, W. Krijgsman, G. Villa, C.G. Langereis, and W.J. Zachariasse (2000). "The Global Boundary Stratotype Section and Point (GSSP) of the Messinian Stage (uppermost Miocene)". Episodes 23 (3): 172-178. http://www.stratigraphy.org/GSSP/Messinian.pdf. Retrieved 2017-08-20.
- 1 2 3 4 Helen F. Evans, Thomas Westerhold and James E. T. Channell (1 February 2004). "ODP Site 1092: revised composite depth section has implications for Upper Miocene ‘cryptochrons’". Geophysical Journal International 156 (2): 195–199. doi:10.1111/j.1365-246X.2003.02189.x. https://academic.oup.com/gji/article/156/2/195/2044968. Retrieved 2017-08-25.
- 1 2 3 Frederik Hilgen, Hayfaa Abdul Aziz, David Bice, Silvia Iaccarino, Wout Krijgsman, Klaudia Kuiper, Alessandro Montanari, Isabella Raffi, Elena Turco, and Willem-Jan Zachariasse (March 2005). "The Global boundary Stratotype Section and Point (GSSP) of the Tortonian Stage (Upper Miocene) at Monte Dei Corvi". Episodes 28 (1): 6-17. http://www.stratigraphy.org/GSSP/Tortonian.pdf. Retrieved 2017-08-22.
- 1 2 3 4 5 F.J. Hilgen, H.A. Abels, S. Iaccarino, W. Krijgsman, I. Raffi, R. Sprovieri, E. Turco and W.J. Zachariasse (September 2009). "The Global Stratotype Section and Point (GSSP) of the Serravallian Stage (Middle Miocene)". Episodes 32 (3): 152-166. http://www.stratigraphy.org/GSSP/Serravallian.pdf. Retrieved 2017-08-23.
- 1 2 3 4 5 6 Elena Turco, Antonio Cascella, Rocco Gennari, Frits J. Hilgen, Silvia M. Iaccarino and Leonardo Sagnotti (2011). "Integrated stratigraphy of the La Vedova section (Conero Riviera, Italy) and implications for the Burdigalian/Langhian boundary". Stratigraphy 8 (2-3): 89-110. https://www.researchgate.net/profile/Antonio_Cascella/publication/230842024_Integrated_stratigraphy_of_the_La_Vedova_section_Conero_Riviera_Italy_and_implications_for_the_BurdigalianLanghian_boundary/links/0fcfd50602250acd9f000000.pdf. Retrieved 2017-08-26.
- ↑ Fritz E. Steininger, M. P. Aubry, W. A. Bergren, M. Biolzi, A. M. Borsetti, Julie E. Cartlidge, F. Cati, R. Corfield, R. Gelati, S. Iacarino, C. Napoleone, F. Ottner, F. R. Rögl, R. Roetzel, S. Spezzaferri, F. Tateo, G. Villa, and D. Zevenboom (March 1997). "The Global Stratotype Section and Point (GSSP) for the base of the Neogene". Episodes 20 (1): 23-28. http://www.stratigraphy.org/GSSP/Aquitanian.pdf. Retrieved 2017-08-26.